论坛
HOME
论坛
正文内容
数字电子技术触发器 介绍数字电路中的三种触发器类型
发布时间 : 2026-01-22
作者 : 小编
访问数量 : 23
扫码分享至微信

介绍数字电路中的三种触发器类型

数字时序电路中通常用到的触发器有三种:电平触发器、脉冲触发器和边沿触发器。今天给大家介绍一下这三种触发器,话不多说,直接入正题。

1. 电平触发器

如上图所示就是电平触发器的逻辑结构图和图形符号图,只有CLK为高电平的时候才能接受输入信号,并按照输入信号将触发器输出置成相应的输出。它是由一个SR触发器和两个与非门组成,又称为同步SR触发器。

2. 脉冲触发器

如上图所示,脉冲触发器由两个同样的电平触发SR触发器组成,其中左边的SR触发器成为主触发器,右边的称为从触发器,这个电路也称为主从SR触发器(Master-Slave SR Flip-Flop)。脉冲触发器的触发方式分为两步:第一步是在CLK=1时,主触发器接收输入端的信号,被置成相应状态,从触发器不动。第二步是CLK下降沿来的时候,从触发器按照主触发器的状态翻转。所以,Q和Q‘的输出状态改变发生在CLK的下降沿。它的图形符号如下所示:

3. 边沿触发器

如上图所示是COMOS集成电路中主要采用的边沿触发器电路结构,其实是用两个利用CMOS传输门组成的电平触发D触发器。

当CLK=0时,TG1导通TG2截止,TG3截止TG4导通。

当CLK=1是,TG1截止TG2导通,TG3导通TG4截止.

边沿触发器的的次态仅取决于时钟信号的上升沿或者下降沿到达时输入的逻辑状态,而在这之前或者之后输入信号的变化都对触发器的输出状态没有影响。

按照逻辑功能的不同特点,通常可以把时钟控制的触发器分为SR触发器,JK触发器,T触发器和D触发器等类型。触发器是数字设计中时序逻辑电路必不可少的单元,它使电路有了记忆功能。时序逻辑电路和组合逻辑电路的配合设计,使得数字电路拥有无限的可能!

数字电路器件-触发器-RS触发器、T触发器、D触发器、JK触发器

触发器是由基本的门电路组合而成的。常用的触发器类型有基本RS触发器,同步RS触发器,T触发器,D触发器,JK触发器等。

基本RS触发器

基本RS触发器由两个门电路构成,这两个门电路可以是与非门,也可以是两个异或门。

基本RS触发器的电路结构见下图。

R为复位端(RESET),S为置位端,输出Q和/Q相反,这种触发器称为非同步触发器。

基本RS触发器的工作原理

见下图。

当开关既不在R端,也不在S端,触发器的输出端是不确定的。当开关置向一侧时,就决定了触发器的输出。例如当开关置于S端,S端为低电平,R端则为高电平,与非门1的输入为低电平,与非门2的输入为高电平,这样就使触发器的Q端输出高电平,/Q的输出为低电平。

如果开关置于R端,则触发器反转,Q端变为低电平,/Q端变为高电平。

可见,输入端R,S既不可能同时为高电平,也不可能同时为低电平。只有两种状况,其中一个为高电平,另一个为低电平,则触发器Q和/Q两端也必然输出状态相反的信号。

同步式RS触发器

基本RS触发器属于非同步触发器,不能与系统时钟信号同步。同步式RS触发器附加了同步功能,可以与时钟信号同步。

同步式RS触发器的基本结构见下图。

同步式RS触发器将两个输入端用两个与非门,并增加了一个时钟脉冲输入端,这样便可以使触发器的输出与时钟信号同步。

集成化的同步RS触发器电路内部功能框图见下图。

T触发器

T触发器是一种触发式双稳态电路,它的T端是信号触发端,当触发端的短信号发生变化时,双稳态电路输出也会同时发生变化。

T触发器的基本结构见下图。

图a示电路结构示意图,图b是输入和输出信号的波形。由此可见,T触发器也是一个1/2分频电路。T端输入2个脉冲,而输出端则输出一个脉冲。

D触发器

D触发器中的D是英文Delay的缩写,因此D触发器是一种延时电路。

下图是D触发器的基本结构与信号输入输出关系图

上图中的集成式D触发器实际上是由一个同步式RS触发器和一个D触发器组成的,若D触发器没有时钟信号,D触发端不管输入是1还是0,触发器都不动作,只有当时钟信号输入时,才会动作。

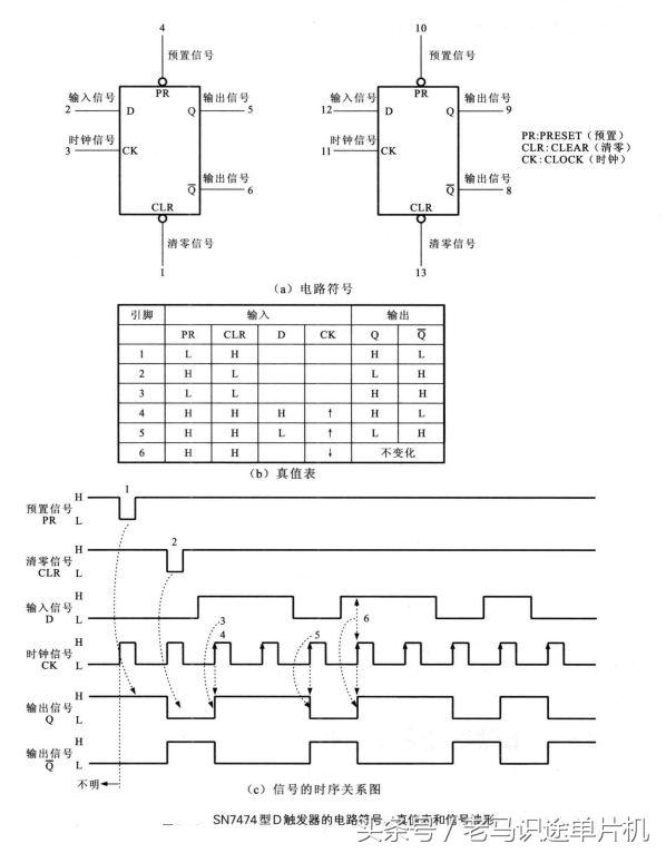
SN7474型D触发器的电路符号,真值表和信号波形见下图

D触发器同其他触发器的比较见下图。

JK触发器

JK触发器是主从触发器,它有两个输入端J,K被称为主从触发信号。

JK触发器的电路结构和信号波形见下图。

JK触发器是数字电路触发器中的一种电路单元,JK触发器具有置0,置1,保持和反转功能,在各类集成触发器中,JK触发器的功能最为齐全。它不仅有很强的通用性,而且能够灵活地转换其他类型的触发器。

触发器电路实例

实际应用中,T触发器,D触发器,RS触发器,JK触发器等通过简单的连接和变换可以进行变换和组合,完成所需功能。

触摸式开关电路

见下图。

该电路采用一只JK触发器CD4027,这是一个双JK触发器,当人手接触到触摸按键时,触摸信号放大器VT1有输出信号,VT1的发射极输出的信号经两极JK触发器后,驱动VT2,VT2导通后继电器常开触点闭合,接通220V电压,灯被点亮。

8路轻触式电子互锁开关

该电路由三态同相8位D触发器74LS374构成,S1-S8是8个轻触按钮开关,LED1-LED8为对应的开关状态指示灯。按下轻触开关中的一个,VT1基极将通过R3-R10中的某个电阻及所按开关连接到地,使C1放电,VT1导通,+5V电源经VT1和R11向C2充电,在IC1的11脚形成一个正脉冲,整形后送往各D触发器,由于所按下的开关对应的D端接地,且1脚为低电平,其对应的Q端也跳变为低电平并锁存。此时相应的LED点亮,并输出信号至功能选择电路。若下次再按动其它开关,电路将重复上述过程。

C2和R12可提供一个约10ms的延迟时间,可在换挡时防止误动作。C1主要起开机复位作用。

相关问答

数字电路中的触发器怎么理解?

在实际的数字系统中往往包含大量的存储单元,而且经常要求他们在同一时刻同步动作,为达到这个目的,在每个存储单元电路上引入一个时钟脉冲(CLK)作为控制信号...

什么是触发器?模拟电子技术中触发器有哪几种?

什么是触发器?其是一种特殊存储过程,跟数据库对象紧密相连。不能被直接调用,要通过事件进行触发而执行。若数据库对象中结构或数据发生变化会自动强制执行,但...

【数字电子题,N个触发器可以构成能寄存()位二进制数码的寄存...

[最佳回答]N,B注:一个触发器能够存储一位二进制码ACD均可以化简,就B项不可以,互相帮助,

JK触发器计数是什么意思?

JK触发器是数字电路触发器中的一种基本电路单元。JK触发器具有置0、置1、保持和翻转功能,在各类集成触发器中,JK触发器的功能最为齐全。在实际应用中,它不仅有...

D触发器用于数字信号什么功能?

D触发器用于数字信号的功能是存储和延时信号。D触发器是一种基本的数字逻辑电路元件,它可以存储一个数字信号,并在时钟信号的作用下,将存储的信号输出到下一个...

clk数电什么意思?

CLK是时钟信号,在数字电路的时序逻辑电路中,CLK信号是必不可少的,作用是触发各触发器状态变化的,没有CLK信号电路就无法工作。CLK是时钟信号,在数字电路的...

【数字电子技术的叉是什么意思?比如卡诺图里RS触发器里的都...

[最佳回答]表示约束项或随意项,可以认为是0,也可以认为是1,因为这个值是对应着不可能出现或不允许出现的输入组合.表示约束项或随意项,可以认为是0,也可以认...

什么器件的简称是FF?

FF其他含义电子术语现场总线网络(FF)指的是在wireshark的一种协议。基本信息中文名滤过分数别名FF外文名filtrationfraction词语解释在wireshar...

n个触发器构成扭环形计数器有几个?

您好,n个触发器构成的扭环形计数器有2^n个状态。扭环计数器也称为环形计数器,由n个触发器按特定方式相互连接构成,可以循环计数,进位与借位。n个触发器组成的...

触发器构成的计数器模值怎么计算?

触发器构成的计数器模值的计算方法是通过触发器的位数来确定。假设有n位触发器构成的计数器,那么模值为2的n次方。例如,一个4位触发器构成的计数器,模值为2的4...

 临时性夫妻  胡润中国民营企业500强榜单出炉 
王经理: 180-0000-0000(微信同号)
10086@qq.com
北京海淀区西三旗街道国际大厦08A座
©2026  上海羊羽卓进出口贸易有限公司  版权所有.All Rights Reserved.  |  程序由Z-BlogPHP强力驱动
网站首页
电话咨询
微信号

QQ

在线咨询真诚为您提供专业解答服务

热线

188-0000-0000
专属服务热线

微信

二维码扫一扫微信交流
顶部